AUTOMATIC DRYER INSTALLATION INSTRUCTIONS. MISE EN SERVICE SÉCHEUSE AUTOMATIQUE ... NOTE: Wiring diagram is located inside the lower kick panel.12 pages Leave enough room for electrical connection and to connect the exhaust vent. NOTE: Refer to Dryer Dimensions in the Location. Requirements. ELECTRICAL ...20 pages
MAYTAG DRYER ELECTRICAL CONNECTION I JUST BOUGHT THE MDE7400AYQ DRYER AND IT HAS A 3 WIRE PLUG AND ... I need a diagram of where the 5 wires connect inside.2 answers · 15 votes: how do you change a 3 prong plug to a 4 prong plug when the colors dont match on the wires ...

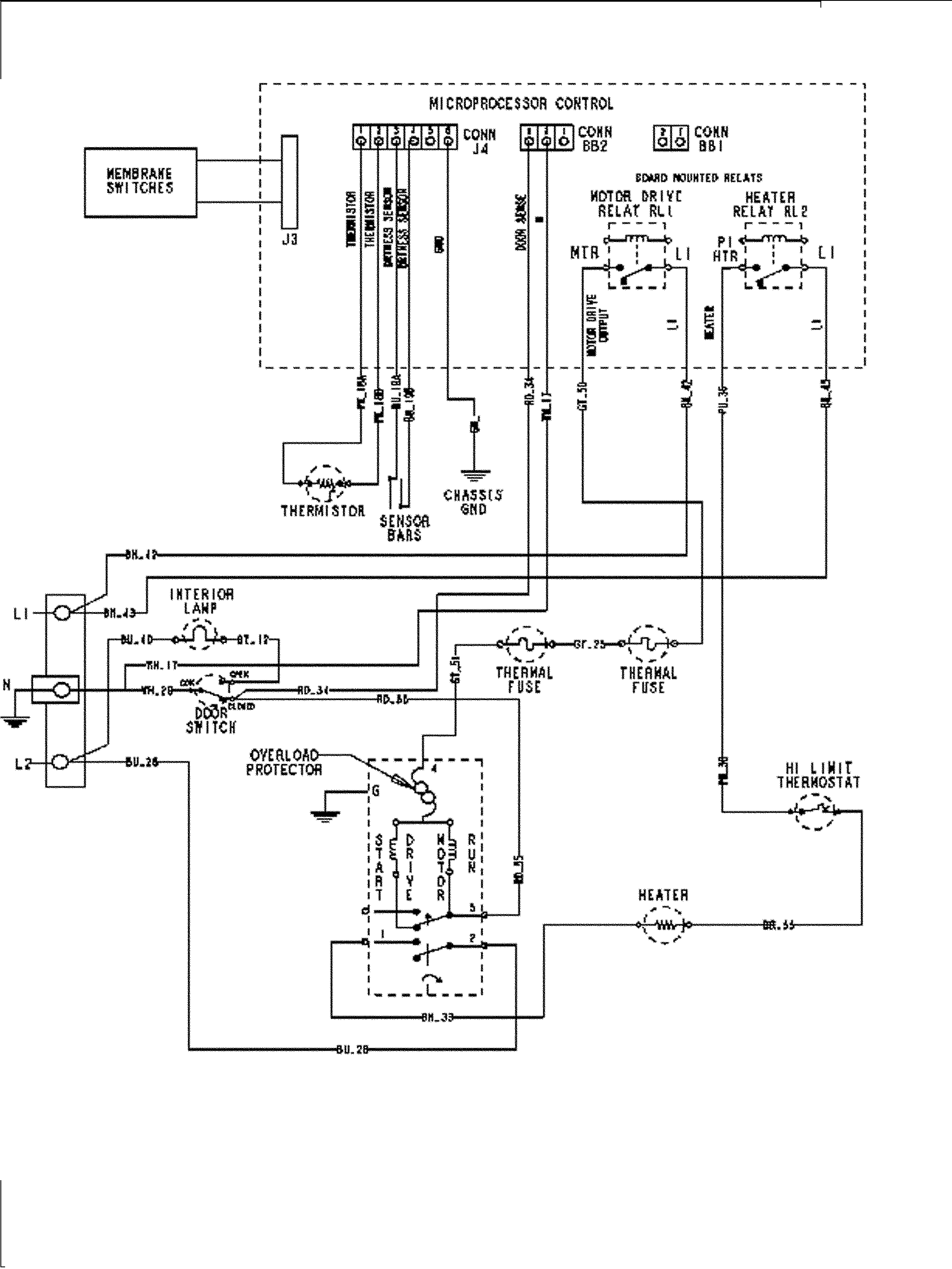
Maytag wiring diagram dryer
Which color wires attach to the terminal block ends ...
FIXED - LDG5004AAW Maytag Dryer Wiring Diagrams ...
MAYTAG MED5700TQ0 PARTS LIST Pdf Download | ManualsLib
Maytag Electric Dryer Model SDE515DAYW Schematic Diagram ...
20+ Inspiration Maytag Atlantis Dryer Parts List - Stephan Fuchs
Maytag MEDE300VW0 Dryer Main Electronic Control Board Genuine OEM
20+ Inspiration Maytag Atlantis Dryer Parts List - Stephan Fuchs
Maytag dryer won't start even if shows power on ...
Maytag Performa dryer does not start - DoItYourself.com ...
Maytag LSE7804ACE 16 - WIRING INFORMATION
20+ Inspiration Maytag Atlantis Dryer Parts List - Stephan Fuchs
Maytag PYE2300AYW 08 - WIRING INFORMATION
Maytag Centennial Dryer
Maytag Dryer MDE7400AYW - DIY Appliance Repair Help ...
How To: Whirlpool/KitchenAid/Maytag Timer WP53-1810
SOLVED: I have a Maytag legacy dryer. I had to take the - Fixya
Maytag MED5700TQ0 User's Manual | Manualzz
Parts for Maytag MDE5500AYW: Wiring Information Parts ...
schematic maytag dryer Questions & Answers (with Pictures ...
Maytag DE410 Dryer: no heat and wiring problems ...
Maytag DE410 Dryer: no heat and wiring problems ...
How should the ground wires be connected when changing my ...
Looking for schematics for Maytag dryer - 11 years old-Model ...
Presented by Jim Campbell - ppt download
MAYTAG MDE2706AYW DRYER INSTALLATION INSTRUCTIONS MANUAL ...
MAYTAG MEDE300VF0 PARTS LIST Pdf Download | ManualsLib
Maytag MDE5500AYQ dryer parts | Sears PartsDirect
Maytag Gas Range Model Number MGR5750ADW Wiring Diagram ...
B A T Basic Appliance Training Basic Electricity
Maytag MLG23PDFXW 14 - WIRING INFORMATION(ELEC)
The Simple Secret Behind this Maytag Dryer Timer that Won't ...
Maytag Performa PYE2300AYW wiring diagram - Appliance Repair ...
Maytag Dryer Cycling Thermostat Replacement #WP503979
Maytag MEDC215EW1 Dryer Schematic Markup for timer advance in ...
Why would a Maytag Dryer LD69806AAE not start? - Quora
maytag neptune dryer wiring diagram Questions & Answers (with ...
Maytag Commercial 27" Gas Dryer | MDG17PDAWW0 ...
Hus to Know?: Replacing the motor on a Maytag MDE3000AYW dryer...
Maytag Dryer Heating Element Assembly Replacement #Y303404
MAYTAG MDE4806AYW INSTALLATION INSTRUCTIONS MANUAL Pdf ...
Burned wires at terminal block on Maytag dryer (MDE7658AYW ...
Maytag Appliance Wiring. Where does the blue wire go? : r/fixit
Comments
Post a Comment