42 troy bilt pony drive belt diagram
PDF Diagram(s) and/or PartsList(s) 13WN77KS011 Pony (2010) Page 1 of 21 Drive & Transmission For Discount Troy Bilt Parts Call 606-678-9623 or 606-561-4983 Troy Bilt Bronco Riding Mower Belt Diagram Place the new belt over the sheaves (pulleys and tensioners) according to your mower's routing diagram. Begin with the placing the belt over the engine pulley. Slowly work the belt to the rear of the mower. Pull the slack (loose part of the belt) to rear of the mower.
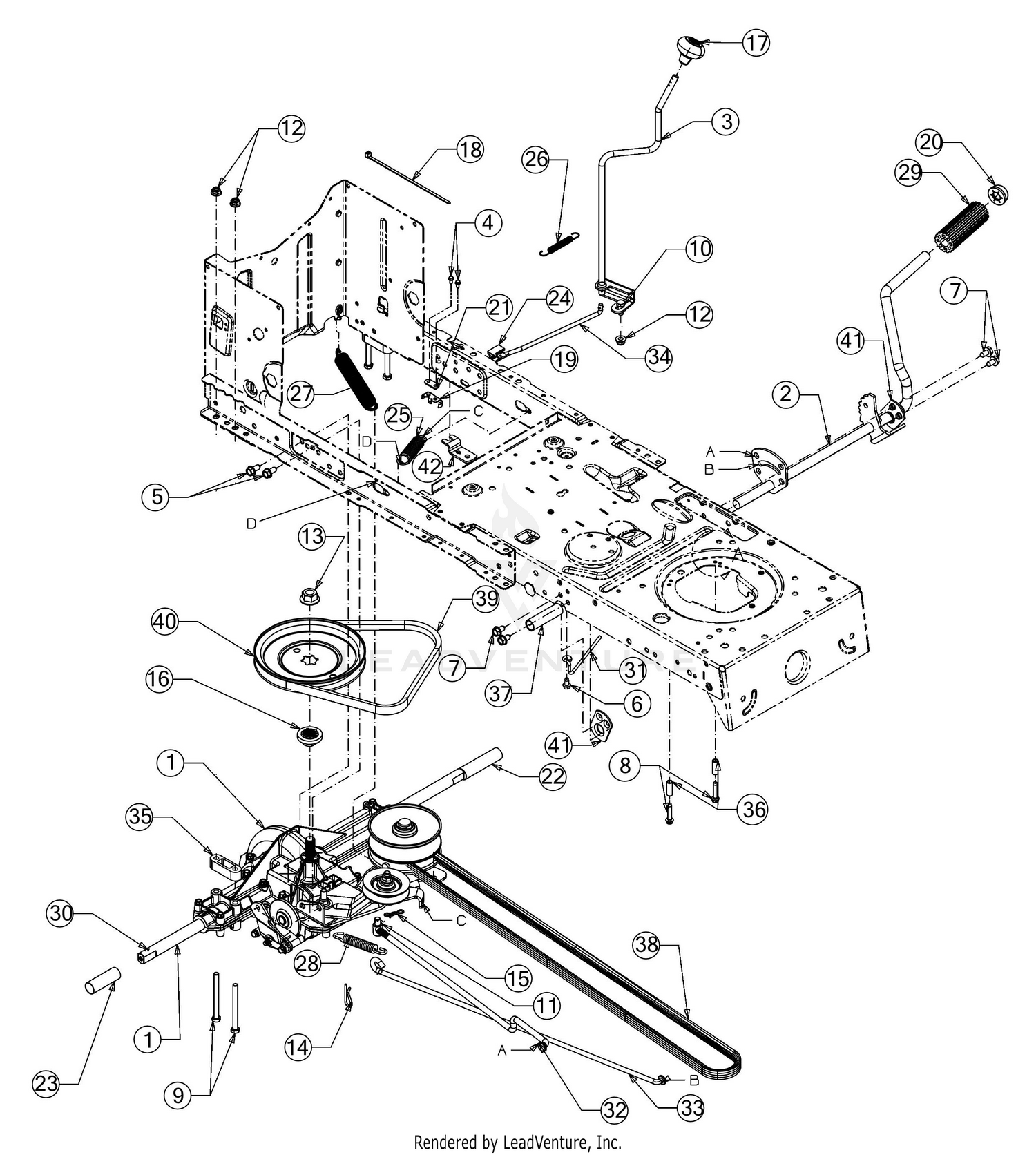
Troy Bilt 13WN77KS011 Pony (2013) Parts Diagrams Troy Bilt 13WN77KS011 Pony (2013) Exploded View parts lookup by model. Complete exploded views of all the major manufacturers. It is EASY and FREE

Troy bilt pony drive belt diagram
PDF Troy bilt pony tiller drive belt diagram - Weebly Troy-Bilt Pony tillers have two belts, a forward drive belt, which measures 4L by 23.80 and a reverse drive belt, which measures 3L by 27.44, located in the "tine and drive" assembly. The belt measurements include an "L," which indicates a light duty rating of 1 horse power or less, measured in 1/8-inch increments. Belts - Snow Throwers, Riding Mowers, Walk ... - Troy-Bilt Whether you're looking for drive belts for your Snow Blower or deck belts for your Riding Lawn Mowers, you'll find them here. Use our Parts Diagram Tool to look up the belt for your Troy-Bilt or our Part Finder to make sure you're getting the right belt for your machine. 231 Items Riding Mower 42-inch Deck Belt Item#: 490-501-Y044 $43.99 How to Replace the Drive Belts on a Troy-Bilt Pony Lawn ... 1. Lower the deck to its lowest position Use your tractors lever to move the mower deck to its lowest position. 2. Remove the belt guard Use a socket wrench to unscrew this from the bottom of the mower. 3. Remove the belt from the pulley It should be easily removed from the pulley with your hands. 4. Remove the rear of the deck
Troy bilt pony drive belt diagram. Drive Belt Diagram Troy Bilt Bronco Request the drive belt diagram directly from Troy-Bilt.Troy Bilt 13WX78KS Bronco Drive & Transmission Exploded View parts lookup by model. Complete exploded views of all the major manufacturers. It is EASY and FREE. This is how you remove and change the deck belt on your Troy-Bilt riding lawn mower. Always be sure to check your owner's manual ... Troy Bilt 13WM77KS011 Pony (2015) Parts Diagram for Mower ... Troy Bilt 13WM77KS011 Pony (2015) Mower Deck 42-Inch Exploded View parts lookup by model. Complete exploded views of all the major manufacturers. It is EASY and FREE Troy Bilt Pony Drive Belt Diagram - schematron.org Troy-Bilt offers Small, Medium and Large frame rotary tillers /5 (85). Place the new belt over the sheaves (pulleys and tensioners) according to your mower's routing diagram. Begin with the placing the belt over the engine pulley. Slowly work the belt to the rear of the mower. Pull the slack (loose part of the belt) to rear of the mower. Troy Bilt 13WN77KS011 Pony (2010) Parts Diagram for Drive ... Label Map Pony Mower Deck 42-Inch Seat and Fender Steering Transmission Assembly 13WN77KS011 Pony (2010) Drive & Transmission JavaScript Disabled - Unable to show Cart 1 91804566B TRANSAX ASM SINGLE $566.48 Add to Cart 2 64704034E0638 PEDAL ASM DRIVE $68.04 Add to Cart 3 64704035 LEVER ASM SHIFT $29.77 Add to Cart 4 7100227 Hex Screw $3.50
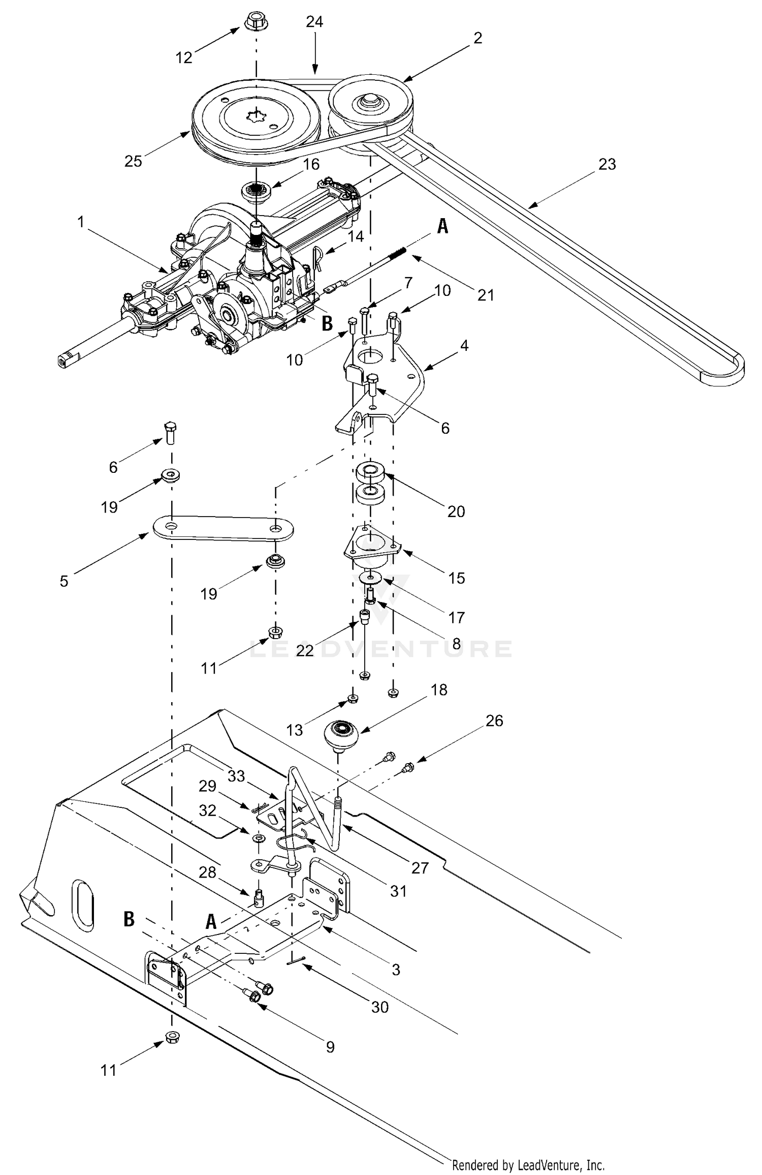
Troy Bilt Pony Drive Belt Diagram - Diagram : Resume ... Home Decorating Style 2022 for Troy Bilt Pony Drive Belt Diagram, you can see Troy Bilt Pony Drive Belt Diagram and more pictures for Home Interior Designing 2022 316353 at Resume Example Ideas. Troy-Bilt Tillers Pony Parts with Diagrams - PartsTree All models of Troy-Bilt Tillers Pony. Fix it fast with OEM parts list and diagrams. ... Pony Parts Lookup & Diagrams Troy-Bilt Tillers: Pony Parts Lookup & Diagrams Troy-Bilt Tillers: Pony ( 88 Models ) 5000 - Troy-Bilt Pony Junior Rear-Tine Tiller (SN: M1001 - M1273) Troy Bilt 13AN77TG766 Pony (2006) Parts Diagram for Drive Troy Bilt 13AN77TG766 Pony (2006) Drive Exploded View parts lookup by model. Complete exploded views of all the major manufacturers. It is EASY and FREE Troy-Bilt Parts Diagrams Troy-Bilt Parts Diagrams Lookup Parts by Diagram Use our parts diagram tool below to find the parts you need for your machine. Select the model and year, then browse the parts diagrams to find the right part. Add to cart when you're ready to purchase and we'll ship it to you as soon as possible!
Troy-Bilt 13A877BS266 (42 X) - Troy-Bilt Pony 42" Lawn ... Drive diagram and repair parts lookup for Troy-Bilt 13A877BS266 (42 X) - Troy-Bilt Pony 42" Lawn Tractor (2020) Projects - barivolley2018.it It has a 382 cc Auto-Choke Engine. wiring diagram and, troy bilt 13wx79kt011 troy bilt horse xp lawn tractor, wiring diagram for troy bilt riding mower p to huskee lawn, troy bilt super bronco mower drive belt diagram image of, belt diagram for troy bilt riding lawn mower answers com, troy bilt mower wiring diagram 188395 best free wiring, troy bilt riding mower parts diagram … Troy Bilt Drive Belt Routing - Diagram Niche Ideas Belt routing, needless to say is important. Troy bilt pony/broncos drive belt replacement | diy. → troy bilt horse drive belt change. Equipment type snow blower length 36 width 5/8 application auger drive application impeller drive. With the internals now organized and wired it's time to finish the box by routing the external wiring out of ... 13WN77KS011 - Troy-Bilt Pony Lawn Tractor (2012) Parts ... Repair parts and diagrams for 13WN77KS011 - Troy-Bilt Pony Lawn Tractor (2012) ... Troy-Bilt Pony Lawn Tractor (2012) Parts & Diagrams Parts Lists & Diagrams. Pony Lawn Tractor. 13WN77KS011 - Troy-Bilt Pony Lawn Tractor (2012) > Parts Diagrams (10) Hide .Quick Reference. Drive & Rear Wheels. Engine Accessories. Frame & PTO Lift. Hood & Grille ...
Troy Bilt Pony 7 Speed Belt Diagram - schematron.org Aug 11, 2018 · Troy Bilt Pony 7 Speed Belt Diagram. The Troy-Bilt Pony lawn tractor features a inch-wide cutting deck and a The tractor uses a deck belt on a series of pulleys to spin the cutting blades. 7. Locate the deck lift rod on the mower deck, and remove the bow-tie pin. Drive Belt Replacement in a Cub Cadet Series · Install a Deck Belt on a Inch.
How to Replace the Drive Belts on a Troy-Bilt Pony Lawn ... Get a replacement drive belt for your Troy-Bilt Pony lawn tractor here: ...
Troy Bilt 13AN689G766 Pony (2004) Parts Diagrams There are (299) parts used by this model. Found on Diagram: Axle, Front Wheels, Steering 783P08577A PLT STABILIZER $5.81 Add to Cart 7190399B NO LONGER AVAILABLE No Longer Available 7100514 Hex Screw $3.40 Add to Cart 7100643 Hex Screw $5.38 Add to Cart 7100726 Hex Head Tap Screw $3.43 Add to Cart 7100805A SCREW HEX CAP $3.37 Add to Cart 7101309
Troy Bilt 13wv78ks011 Drive Belt Diagram - Diagram World Request the drive belt diagram directly from Troy-BiltTroy Bilt 13WX78KS Bronco Drive Transmission Exploded View parts lookup by model. There are 349 parts used by this model. If These Items Cannot Be Obtained Locally Order by Part. Belt v Typ 5l X Lg Poly. In Stock 3 available. In Stock 3 available. In Stock 25 available.
kreuzkirche-osterode.de 23.03.2022 · Troy-Bilt Pony Engine Motor Kohler CourageWhat is Kohler 24 Hp Engine Surging. Product TitleHi. Kohler Command 16HP Vertical Shaft Engine Service Manual - Free download as PDF File (. Doug Wene. wire harness on a 2004 great dane chariotlx 25 hp kohler engine need specs for a 26hp . Surges, Backfires-The FIX, parts below Kohler knocking sound, rebuild …
Troy Bilt Pony 42 Deck Belt Diagram - Diagram Finder Oct 21, 2021 · Troy Bilt Pony 42 Deck Belt Diagram . How to Replace a Troy Bilt Pony 42 Deck Belt. Replacing the drive belt on a Troy-Bilt Pony lawn is a simple process that won’t require the assistance of a technician. If you’re having any issues with following this guide, then you should consult your manual for further assistance. Removing the Deck
15008 (21A-530-081) - Troy-Bilt Pony Rear-Tine Tiller (SN ... 15008 (21A-530-081) - Troy-Bilt Pony Rear-Tine Tiller (SN: 0400101 - 1199999) > Parts Diagrams (10) Hide Bolo Tines & Wheels Drive Shaft, Input Pinion Shaft & Gear Assemblies
Troy Bilt Pony Drive Belt Diagram do u have video on changing drive belt on troy built pony riding mower model no. troy bilt pony drive belt diagram ~ welcome to our site, this is images about troy bilt pony drive belt diagram posted by brenda botha in troy category on nov 20, you can also find other images like wiring diagram, parts diagram, replacement parts, electrical …
Troy-Bilt Operator's Manuals & Illustrated Parts Diagrams Yes, printed Troy-Bilt Operator's Manuals, Illustrated Parts Lists and Troy-Bilt / MTD Engine Manuals are available for purchase. The price for a pre-printed manual is typically less than $20+s/h, but can range up to $45+s/h for larger documents. To order a pre-printed Troy-Bilt manual, have your Model & Serial Number handy and call our ...
Replacement Parts & Service | Troy-Bilt US Explore Service & Parts. Troy-Bilt parts give you a genuine advantage: the confidence of using parts specifically designed for a exact fit, optimal performance and maximum safety. These are the only parts with the in-depth engineering and rigid testing that assures long-lasting quality. Part Finder. Shop Parts.
Riding Mower 42-inch Deck Belt - 954-04060C | Troy-Bilt US Riding Mower 42-inch Deck Belt - 954-04060C | Troy-Bilt US Service & Parts Shop By Part Type Belts Riding Mower 42-inch Deck Belt Original Equipment Genuine Part (OEM) Item#: 954-04060C Free Shipping on Parts* $41.99 Fits Riding Mowers and Lawn Tractors with a 42-inch Cutting Deck (2010 - )
Troy Bilt Pony Lawn Tractor Drive Belt Removal - YouTube On this Troy Bilt Pony Lawn Tractor you have to take off the other 2 belts to remove the drive belt. This video was made as a demonstration on how to repair ...
How to Replace the Drive Belts on a Troy-Bilt Pony Lawn ... 1. Lower the deck to its lowest position Use your tractors lever to move the mower deck to its lowest position. 2. Remove the belt guard Use a socket wrench to unscrew this from the bottom of the mower. 3. Remove the belt from the pulley It should be easily removed from the pulley with your hands. 4. Remove the rear of the deck
Belts - Snow Throwers, Riding Mowers, Walk ... - Troy-Bilt Whether you're looking for drive belts for your Snow Blower or deck belts for your Riding Lawn Mowers, you'll find them here. Use our Parts Diagram Tool to look up the belt for your Troy-Bilt or our Part Finder to make sure you're getting the right belt for your machine. 231 Items Riding Mower 42-inch Deck Belt Item#: 490-501-Y044 $43.99
PDF Troy bilt pony tiller drive belt diagram - Weebly Troy-Bilt Pony tillers have two belts, a forward drive belt, which measures 4L by 23.80 and a reverse drive belt, which measures 3L by 27.44, located in the "tine and drive" assembly. The belt measurements include an "L," which indicates a light duty rating of 1 horse power or less, measured in 1/8-inch increments.
Comments
Post a Comment