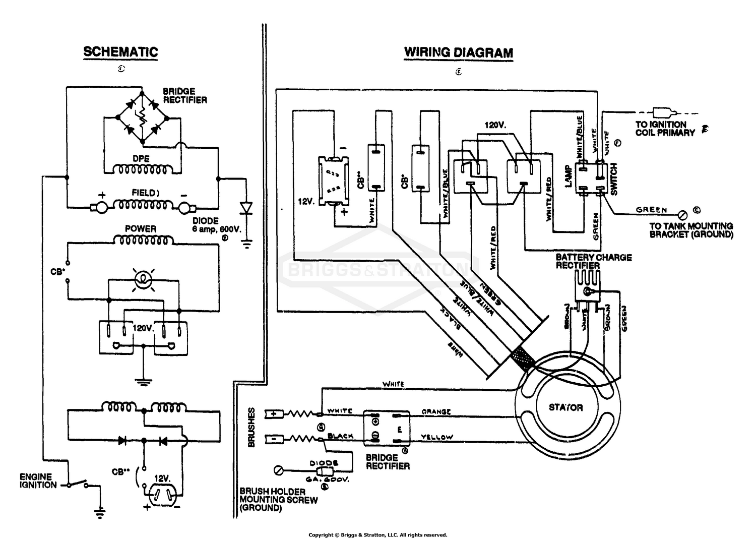
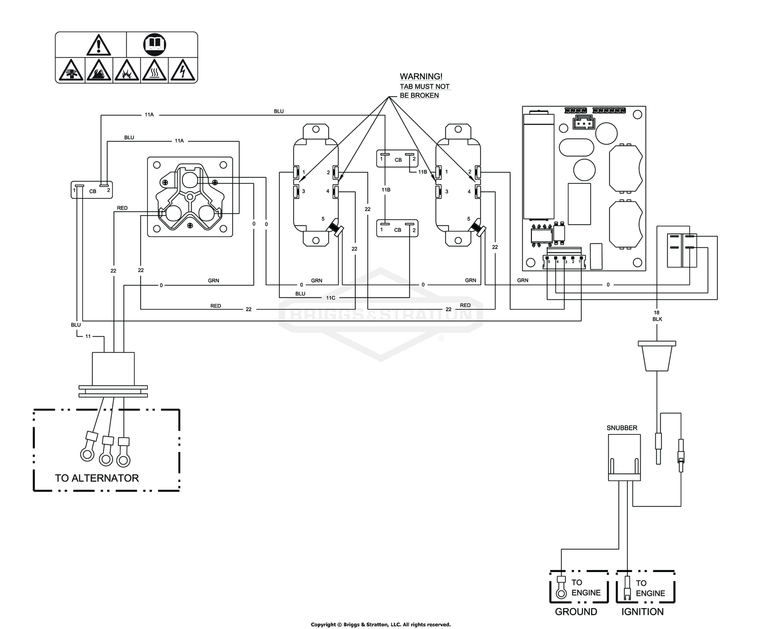
40 craftsman wiring diagram
Craftsman Model 917.271121 Wiring Diagram - schematron.org I need a real, complete, accurate schematic wiring diagram emailed to My owners manual for my Craftsman lawn tractor has a. Owner's Manual. CRAFTSMAN". HP. Riding Mower, Starting System Wiring Diagram - Part 1 ELECTRIC START. 42" MOWER. AUTOMATIC. LAWN TRACTOR. Model No. • Safety. • Assembly. View and Download CRAFTSMAN EZ3 owner's manual online. Craftsman wiring diagram - SSB Farm Tractor Parts, Tractor ... would like a wiring diagram for a sears craftsman lawn tractor 14hp vanguard briggs & stratton model 303777 type 0032-02 also bearing the sears model #944601140 serial #o16101217. it would seem that with the switch ingaged i hear a click in the soliniod and also in the top of the engine.battery is good at 12 volts . i think with a wiring ...
Craftsman Model 917.289280 Wiring Diagram - schematron.org Craftsman Model 917.289280 Wiring Diagram 07.10.2018 6 Comments Craftsman Pdf User Manuals. View online or download Craftsman Operator's Manual. User manual for the device Craftsman Online user manual database. Did your Craftsman model lawn, tractor break down? This model has a separate engine component. View engine. Craftsman Pdf User Manuals.

Craftsman wiring diagram
Craftsman T1200 Wiring Diagram - schematron.org This is the complete wiring harness for a Craftsman DYT riding lawn mower. It has the ends all labeled with duck tape for easy installation if you need help. It is a used harness come off a worki Craftsman Gold Series LT Wire Harness Model # $ View and Download Craftsman T operator's manual online. cc, Variation Speed 42" Deck. Briggs And Stratton Wiring Diagram 18 Hp - Wiring Diagram Coleman Powersports Kt196 196Cc Gas Powered Go-Kart - Black - Briggs And Stratton Wiring Diagram 18 Hp. Wiring Diagram includes many comprehensive illustrations that show the link of varied things. It consists of guidelines and diagrams for various varieties of wiring strategies along with other things like lights, windows, etc. Craftsman Gt 5000 Wiring Diagram Craftsman Gt 5000 Wiring Diagram View and Download Craftsman - GT 26 HP/54'' Garden Tractor operator's manual online. HP,* 54'' Mower Electric Start Automatic. Download Manual for Model CRAFTSMAN GARDEN TRACTOR. Sears PartsDirect has parts, manuals & part diagrams for all types of repair.
Craftsman wiring diagram. Craftsman Riding Mower Electrical Diagram | Wiring Diagram ... wiring diagram for craftsman riding lawn mower - You'll need an extensive, professional, and easy to know Wiring Diagram. With this sort of an illustrative guide, you'll be able to troubleshoot, avoid, and complete your projects with ease. Craftsman Lawn Tractor With Kohler 15.5 Engine Wiring Diagram Craftsman Lawnmower hp Kohler CV15S engine. The mower is a modelNNN-NN-NNNN The engine was running and just stopped while Here is the owners manual, page 33 has the wiring diagram that you need. old Sears Craftsman Lawn Tractor with the hp Kohler engine. Below is the wire diagram denoting which color wires operate what. HP, 42" Mower. Craftsman Riding Mower Electrical Diagram | Wiring Diagram ... Jun 23, 2014 - Wiring Diagram craftsman riding lawn mower? I need one for a craftsman garden tractor. I know there are problems with the - Answered by a verified Technician. Pinterest. Today. Explore. When autocomplete results are available use up and down arrows to review and enter to select. Touch device users, explore by touch or with swipe ... Wiring Diagram For Craftsman Lt1500 Riding Mower Wiring Diagram For Craftsman Lt1500 Riding Mower From this Page you can View Diagrams and Parts Lists for you sears has them on a hook where the filters are located. Posted on Jul 19, Craftsman cc 30" riding mower wiring schematic, where can I get one?. Mr Anonymous.
Craftsman Riding Mower Electrical Diagram | Wiring Diagram ... wiring diagram for craftsman riding lawn mower - You'll need a comprehensive, professional, and easy to know Wiring Diagram. With such an illustrative guidebook, you will have the ability to troubleshoot, stop, and complete your assignments with ease. 917.288250 Craftsman Wiring Diagram 917.288250 Craftsman Wiring Diagram. Back To Craftsman Tractors-Riding-Lawnmowers Model: or Craftsman Lawn Tractor 24 HP 42 Inch Mower 6 Speed. I need a very specific wiring diagram to chase each wire back to it P.S. The Sears Parts web site only has a general wiring diagram. the battery so there is something else going on there is a fuse in ... Craftsman 1 2 Hp Garage Door Opener Wiring Diagram ... Please download these craftsman 1 2 hp garage door opener wiring diagram by using the download button, or right click selected image, then use Save Image menu. Wiring diagrams help technicians to see how a controls are wired to the system. Many people can read and understand schematics known as label or line diagrams. Craftsman Wiring and Safety Switches - YouTube Craftsman Wiring and Safety SwitchesQuick video for youtube user, BleachedpcHopefully this will help you out
Craftsman Riding Lawn Mower 18hp Engine Wiring Diagram diagram of craftsman riding mower further wiring harness for a huskee lt moreover watch along with 17 furthermore craftsman lawn tractor ignition switch wiring diagram captures together with wiring diagram for tracker further ye1h further watch in addition wiring diagrams for riding lawn mowers in addition change a lawn mower blade moreover watch … Craftsman Ys 4500 Switch Wiring Diagram Parts Diagrams (12) Your tractor most likely uses an Operator Presence (seat) switch that will cause engine to stall if blades are engaged or the brake is Craftsman tractor mower # My dog chewed the wires under the right tire. Default Re: Craftsman DYS seat switch. I followed the wiring harness all the way to where it pugs in near the starter. Wiring Diagram For Craftsman Riding Mower - Sears "wiring diagram for craftsman riding mowe..." $39.83 $36.21 Sears Craftsman Riding Mower Fuel Tank Replacement Gas Sold by APS $23.66 $22.49 Nessagro ignition starter switch riding lawn mower tractor husqvarna craftsman 539107541 .#gh45843 3468-t34562fd563522 Sold by Mac Marvel's $67.32 $58.54 Craftsman Lawn & Garden Tractors Parts with Diagrams ... Craftsman Lawn & Garden Tractors Parts Lookup & Diagrams Craftsman Lawn & Garden Tractors ( 218 Models ) 107.250040 (2691085-00) - Craftsman CTX9000 Series 42" Lawn Tractor, 20hp (2012)
Craftsman Lt1500 Wiring Diagram - schematron.org We are here to help - over genuine Craftsman repair and replacement parts that are hassle free and guaranteed to fit every time! Craftsman ltx ignition switch wiring diagram is one of increased niche right now. We realize it from internet search engine data like google adwords or google trends.
Craftsman Lt2000 Wiring Diagram - Wiring Diagram craftsman lt2000 wiring diagram - You'll need a comprehensive, skilled, and easy to comprehend Wiring Diagram. With such an illustrative manual, you are going to have the ability to troubleshoot, stop, and total your assignments without difficulty.
Repairs - wiring diagram for R1000 model 247290001 | Lawn ... Where can I find a wiring diagram for a model 247290001 mower? It is a rear engine rider R1000. I've been searching the net for over an hour and nothing. ... Wiring diagram can be found on Craftsman parts page for the mower...it's the last diagram on the right ...
Craftsman Lawn Mower Model 917 Wiring Diagram Download ... craftsman lawn mower model 917 wiring diagram - What is a Wiring Diagram? A wiring diagram is a simple visual representation from the physical connections and physical layout of an electrical system or circuit. It shows what sort of electrical wires are interconnected and can also show where fixtures and components might be connected to the system.
Craftsman Riding Lawn Mower Lt1000 Wiring Diagram Download ... A wiring diagram is a straightforward visual representation in the physical connections and physical layout associated with an electrical system or circuit. It shows how the electrical wires are interconnected and will also show where fixtures and components could be coupled to the system. When and How to Use a Wiring Diagram
Craftsman Yt 3000 Parts Diagram - Wiring Diagrams Free Weight Bench em1 Parts Diagram, Hoover Floormate h Parts Diagram.Craftsman Yt Parts Diagram ~ thanks for visiting our site, this is images about craftsman yt parts diagram posted by Maria Nieto in Craftsman category on Oct 26, You can also find other images like wiring diagram, parts diagram, replacement parts, electrical diagram, repair ...
PDF Craftsman Wiring Diagram 288600 - stats.ijm.org craftsman-wiring-diagram-288600 2/6 Downloaded from stats.ijm.org on April 5, 2022 by guest the work. Scholars believe, and we concur, that this work is important enough to be preserved, reproduced, and made generally available to the public. To ensure a quality reading experience, this work has been proofread
Craftsman Lt1000 Wiring Diagram Craftsman Lt1000 Wiring Diagram. I need a very specific wiring diagram to chase each wire back to it williamgfv. Need wiring diagram for 98 craftsman LT model number. Craftsman LT model I was given to me and hasn't been running for years. I know there's ps: I DO have the wiring diagram.
Craftsman Gt 5000 Wiring Diagram Craftsman Gt 5000 Wiring Diagram View and Download Craftsman - GT 26 HP/54'' Garden Tractor operator's manual online. HP,* 54'' Mower Electric Start Automatic. Download Manual for Model CRAFTSMAN GARDEN TRACTOR. Sears PartsDirect has parts, manuals & part diagrams for all types of repair.
Briggs And Stratton Wiring Diagram 18 Hp - Wiring Diagram Coleman Powersports Kt196 196Cc Gas Powered Go-Kart - Black - Briggs And Stratton Wiring Diagram 18 Hp. Wiring Diagram includes many comprehensive illustrations that show the link of varied things. It consists of guidelines and diagrams for various varieties of wiring strategies along with other things like lights, windows, etc.
Craftsman T1200 Wiring Diagram - schematron.org This is the complete wiring harness for a Craftsman DYT riding lawn mower. It has the ends all labeled with duck tape for easy installation if you need help. It is a used harness come off a worki Craftsman Gold Series LT Wire Harness Model # $ View and Download Craftsman T operator's manual online. cc, Variation Speed 42" Deck.
Comments
Post a Comment